- »
- Sistem-franare
- »
- Pompe centrala de frână
- »
- Pompe de frână pentru tractor și utilaje Granit
- »
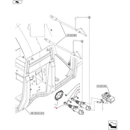
- Pompa centrala de frana 84535046
Pompa centrala de frana 84535046
GranitPompă centrală de frână 84535046, potrivită pentru tractoare Case-IH, New Holland și Steyr, cu piston de 31,4 mm pentru acționare eficientă a sistemului de frânare.
Compatibilitate utilaje
- Marcă tractor: Case-IH
- Marcă tractor: New Holland
- Marcă tractor: Steyr
Producător
Granit Parts Germany – furnizor european de încredere pentru componente de frânare de înaltă calitate, adaptate condițiilor grele din agricultură.
Detalii tehnice
- Diametru piston: 31,4 mm
- Greutate: 1,86 kg
Descriere produs
Pompa centrală de frână 84535046 este concepută pentru a furniza presiunea necesară funcționării corecte a sistemului de frânare la tractoarele Case-IH, Steyr și New Holland. Elementele sale de construcție asigură rezistență la uzură și funcționare constantă în medii solicitante.
Beneficii
- Diametru mare al pistonului pentru acționare precisă
- Potrivită pentru modele multiple de tractoare
- Materiale de calitate superioară pentru durabilitate
- Performanță optimă în sistemele de frânare hidraulice
| Compatibil cu marcă utilaj Case-IH: | Tip utilaj/tractor: 100 MXU, 110 CS, 110 MXU, 115 MXU, 115 Puma, 125 MXU, 125 Puma, 130 MXU, 130 Puma, 135 MXU, 140 CVX, 140 Puma, 145 Puma, 150 CVX, 155 Puma, 160 CVX, 160 Puma, 175 CVX, 195 CVX, Maxxum 100, Maxxum 110, Maxxum 115, Maxxum 120, Maxxum 125, Maxxum 130, Maxxum 135, Maxxum 140, Maxxum 145, Maxxum 150 |
| Compatibil cu marcă utilaj New Holland: | Tip utilaj/tractor: T6010, T6020, T6030, T6040, T6050, T6060, T7510, T7520, T7530, T7540, T7550 |
| Compatibil cu marcă utilaj Steyr: | Tip utilaj/tractor: 4100 Profi, 4110 Profi, 4115 Profi, 4120 Profi, 4130 Profi, 6115 Profi, 6125 Profi, 6135 Profi, 6140 CVT, 6140 Profi, 6150 CVT, 6160 CVT, 6175 CVT, 6195 CVT |
Codurii produs: 71702132, 47129420, 47132767, 47125887, 3686410M92, 43617, LA47132767

