Capete de bară filet exterior – Tot ce trebuie să știi
Direcția sigură începe cu capete de bară de calitate!

La Agropeter.ro știm cât de important este ca utilajele agricole și industriale să răspundă rapid și precis la comenzile de direcție. Un cap de bară bine ales și întreținut înseamnă siguranță maximă și performanță constantă.
Ce sunt capete de bară filet exterior?
Capetele de bară filet exterior sunt componente care leagă articulațiile sistemului de direcție la tractoare și utilaje agricole.
Rolul lor este să transmită mișcarea volanului către roți, asigurând stabilitatea și controlul în timpul lucrului.
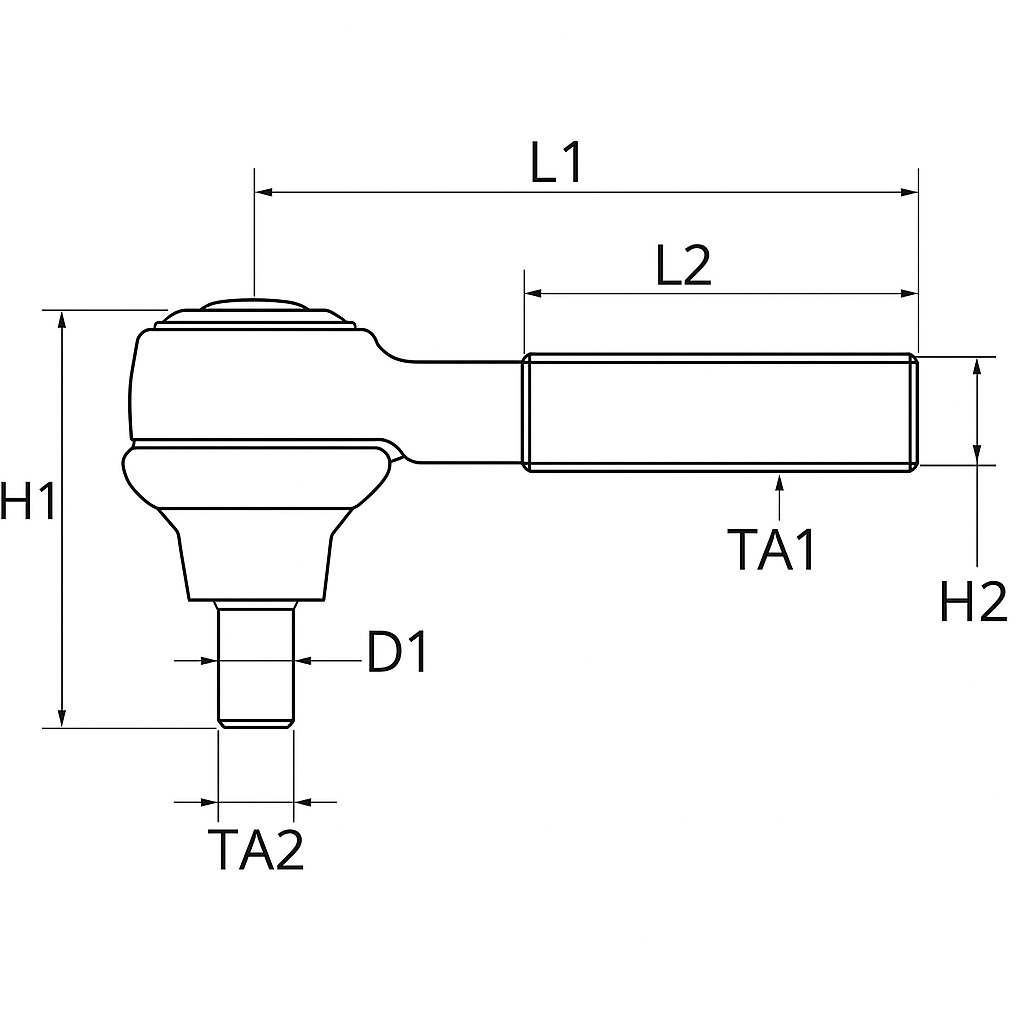
Cum se măsoară corect capetele de bară?
Lungimea totală (L1) – de la capăt la capăt.
Lungimea filetului (L2) – secțiunea filetată pentru montaj.
Diametrul filetelor (TA1 și TA2) – diametrul la care se fixează.
Diametrul bilei (D1) – dimensiunea articulației sferice.
Înălțimea capului (H1 și H2) – pentru potrivire precisă.

Sfat util: Utilizează un șubler sau un instrument de măsurare de precizie!
Când trebuie schimbate capetele de bară?
Semne clare că un cap de bară este defect:
- Joc excesiv în volan.
- Zgomote sau vibrații la viraje.
- Direcție instabilă sau întârziată.
- Uzura inegală a pneurilor.
Recomandare: Înlocuiește capete de bară filet exterior la primele semne de uzură pentru a evita problemele majore la sistemul de direcție.
Din ce materiale sunt fabricate?
- Oțel forjat – pentru rezistență maximă la șocuri și solicitări.
- Oțel aliat tratat termic – pentru durabilitate extinsă.
- Materiale compozite speciale (rareori) – pentru modele de performanță.
Tipuri de capete de bară filet exterior
- Capete de bară drepte – ideale pentru direcții simple.
- Capete de bară curbate – pentru configurații speciale.
- Capete de bară cu filet parțial – filet numai pe o porțiune.
- Capete de bară cu filet complet – filet pe întreaga lungime a tijei.
Ce conține un cap de bară?
- Carcasă metalică robustă.
- Sferă internă mobilă.
- Filete precise pentru montare.
- Garnituri și etanșări pentru protecție împotriva prafului și apei.
Semne că trebuie verificat sau schimbat capul de bară:
- Direcție „moale” sau întârziată.
- Sunete metalice sau clicuri la virare.
- Vibrații neobișnuite în volan.
- Pneuri uzate neregulat.
Cum găsești capul de bară potrivit?
La Agropeter.ro îți oferim:
- Sistem rapid de identificare după marcă și model.
- Asistență tehnică gratuită.
- Gamă largă de capete de bară compatibile și originale.
Protejează-ți direcția, alege capete de bară de calitate! Măsoară corect, schimbă la timp și bucură-te de siguranță maximă în teren.
Atenție!
Gama noastră este în continuă actualizare!
Dacă nu găsești capul de bară dorit online, contactează-ne cu încredere – multe modele sunt disponibile în stoc, chiar dacă nu sunt încă listate pe site.
Beneficii – capete de bară filet exterior pentru tractoare
- Direcție precisă și sigură: capetele de bară cu filet exterior transmit corect mișcarea volanului la roți.
- Durabilitate în exploatare grea: articulație sferică ranforsată și tratamente anticorozive pentru noroi, apă și praf.
- Mentenanță simplă: demontare rapidă, compatibilitate bună cu extractoare standard și cupluri de strângere uzuale.
- Compatibilitate extinsă: game pentru mărci populare (John Deere, Case IH, New Holland, Deutz-Fahr, Massey Ferguson ș.a.).
- Cost total redus: prevenirea uzurii premature a bieletelor, anvelopelor și a altor piese de direcție.
Cum măsori corect (checklist rapid)
- L1 – lungime totală cap de bară (capăt la capăt).
- L2 – lungimea filetului exterior.
- TA1 / TA2 – diametrul/pasul filetului (metric sau inch).
- D1 – diametrul bilei (articulație sferică).
- H1 / H2 – înălțimea capului (pentru potrivire fără interferențe).
Sfat: după montaj, fă obligatoriu reglajul geometriei (convergență) pentru direcție stabilă și uzură uniformă a anvelopelor.
Beneficii – capete de bară filet exterior pentru tractoare
- Direcție precisă și sigură: capetele de bară cu filet exterior transmit corect mișcarea volanului la roți.
- Durabilitate în exploatare grea: articulație sferică ranforsată și tratamente anticorozive pentru noroi, apă și praf.
- Mentenanță simplă: demontare rapidă, compatibilitate bună cu extractoare standard și cupluri de strângere uzuale.
- Compatibilitate extinsă: game pentru mărci populare (John Deere, Case IH, New Holland, Deutz-Fahr, Massey Ferguson ș.a.).
- Cost total redus: prevenirea uzurii premature a bieletelor, anvelopelor și a altor piese de direcție.
Cum măsori corect (checklist rapid)
- L1 – lungime totală cap de bară (capăt la capăt).
- L2 – lungimea filetului exterior.
- TA1 / TA2 – diametrul/pasul filetului (metric sau inch).
- D1 – diametrul bilei (articulație sferică).
- H1 / H2 – înălțimea capului (pentru potrivire fără interferențe).
Sfat: după montaj, fă obligatoriu reglajul geometriei (convergență) pentru direcție stabilă și uzură uniformă a anvelopelor.
Descoperă și alte produse:
Vezi Capete de bară filet exterior
Beneficii – capete de bară filet exterior pentru tractoare
- Direcție precisă și sigură: capetele de bară cu filet exterior transmit corect mișcarea volanului la roți.
- Durabilitate în exploatare grea: articulație sferică ranforsată și tratamente anticorozive pentru noroi, apă și praf.
- Mentenanță simplă: demontare rapidă, compatibilitate bună cu extractoare standard și cupluri de strângere uzuale.
- Compatibilitate extinsă: game pentru mărci populare (John Deere, Case IH, New Holland, Deutz-Fahr, Massey Ferguson ș.a.).
- Cost total redus: prevenirea uzurii premature a bieletelor, anvelopelor și a altor piese de direcție.
Cum măsori corect (checklist rapid)
- L1 – lungime totală cap de bară (capăt la capăt).
- L2 – lungimea filetului exterior.
- TA1 / TA2 – diametrul/pasul filetului (metric sau inch).
- D1 – diametrul bilei (articulație sferică).
- H1 / H2 – înălțimea capului (pentru potrivire fără interferențe).
Sfat: după montaj, fă obligatoriu reglajul geometriei (convergență) pentru direcție stabilă și uzură uniformă a anvelopelor.
Link util (explicativ)
Pentru context tehnic despre componenta din ansamblul direcției, vezi articolul Wikipedia despre tie rod (bară de direcție).
[…] 8. Capete de bară filet exterior […]